удаление хвостов в бурении
Удаление хвостов в бурении имеет большое значение в отрасли нефти. В последние годы, по мере того как страна повышает усилия по охране окружающей среды и концепция охраны окружающей среды непрерывно глубоко проникнет в сердца людей, как правильно и разумно обрабатывать хвосты, производящие в процесса разработки минеральных ресурсов, это становится первоочередной серьёзной задачей перед горнодобывающими предприятиями.
Ниже описывается широко используемый технологический процесс удаления хвостов в бурении.
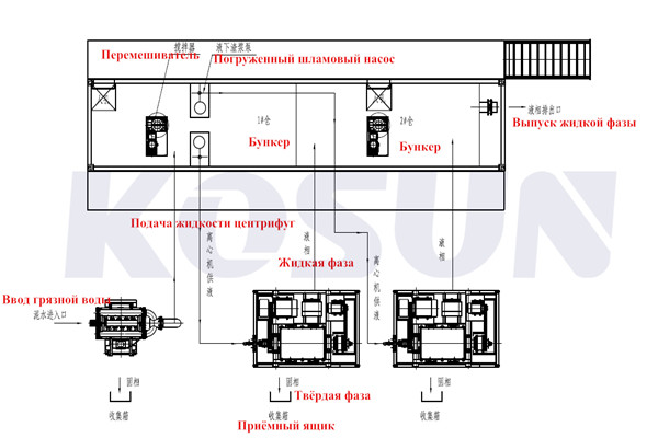
После того, как хвосты войдут в хвостохранилище, потом насос вколотит в илоотделитель. Здесь делятся на две части:
1. Доннный приток из илоотделителя входит в прессовочный фильтр или в тонкое вибросито, после обезвоживания образуется сухое вещество, из-за этого он может реализовать повторное использование.
2. Слив из илоотделителя через центрифугу формируется в твёрдую фазу и жидкую фазу.
Для жидкой фазы – повторное использование плутония, для твёрдой фазы -образовать сухое вещество и реализовать повторное использование.
Технологический процесс удаления хвостов в бурении, как показан ниже.

Схема расположения удаления хвостов в бурении, как показана ниже.

Компания KOSUN является один из крупных производственников оборудования циркуляционных систем буровых установок в Китае, и она уделяем внимание утилизацию отходов бурения. В последние дни мы посвятим свои силы исследованию технологического процесса удаления хвостов в бурении.